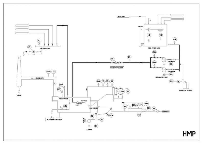
생산품목
표준형 노통연관식 [HMP-700]
최고의 효율과 높은 신뢰성의 고성능 보일러

특징
● 내구성과 전열효과가 뛰어난 관체구조.
● 부하변동에 강하며 고순도의 증기건도 보장.
● 보일러 내외부 점검이 손쉬워 관리가 용이함.
● 운반설치가 간단하며 외장이 미려하고 콤팩트함.
  • 구 분 HMP-700 HMP-701 HMP-702 HMP-703 HMP-704 HMP-705 HMP-706 HMP-707 HMP-708 HMP-709 HMP-710 HMP-711 HMP-
    712
    HMP-
    714
    정격 증 발 량 kg/hr 500 1,000 1,500 2,000 2,500 3,000 3,500 4,000 4,500 5,000 6,000 7,000 8,000 10,000
    중 온 수 Gcal/hr 0.3 0.6 1 1.2 1.5 2 2.3 2.5 3 3.5 4 4.5 5-5.5 6-6.5
    열량X103 kcal/hr 322 643 965 1,287 1,609 1,931 2,253 2,575 2,897 3,219 3,862 4,506 5,150 6,438
    열출력 MWh 0.3 0.7 1.0 1.4 1.7 2.1 2.4 2.8 3.1 3.5 4.2 4.9 5.6 7.0
    전 열 면 적 m2 13.6 21.3 28.8 39.4 48.1 55.7 63.1 71.9 80.1 87.6 103.3 119.2 135.6 173.3
    부속
    밸브류
    주증기밸브 A 50A 80A 100A 125A 150A 200A
    안전   밸브 0.7 MPa A 25A 40A 40A 40A 50A 40A,25A 40Ax2 40Ax2 40Ax2 50A,40A 50Ax2 50Ax2 65A,40A 65Ax2
    1.0 MPa A 25A 25A 40A 40A 40A 40A,25A 40A,25A 40A,25A 40Ax2 40Ax2 40Ax2 50A,40A 50A,40A 50Ax2
    급 수 밸 브 A 40A 50A
    배 수 밸 브 A 40A 50A
    수 면 계 L 220 L 280 L
    연료
    소비량
    경유(DIESEL) kg/hr 35 71 106 142 177 212 248 283 319 354 425 496 567 708
    LNG Nm3/hr 36 73 109 146 182 219 255 292 328 365 438 511 584 729
    LPG+AIR Nm3/hr 25 50 75 101 126 151 176 201 226 252 302 352 402 503
    프로판
    (LPG)
    Nm3/hr 16 33 49 65 81 98 114 130 147 163 195 228 261 326
    kg/hr 30 61 91 122 152 182 213 243 274 304 365 426 486 608
    보일러 중량 kg 3,800 5,700 6,600 7,600 8,400 9,600 11,000 12,100 13,000 14,000 15,700 17,000 18,700 21,500
    만수시 보유수량 kg 1,880 3,070 3,720 5,050 5,560 6,200 7,410 8,500 9,730 9,770 10,240 13,550 15,130 18,830
    사용시 보유수량 kg 1,470 2,450 3,040 4,100 4,450 4,980 5,960 6,830 7,740 7,860 8,100 10,820 12,100 15,240
    연도치수(axb) mm 200x150 255x550 255x550 340x600 340x600 340x640 350x700 425x700 425x700 450x850 450x900 450x900 600x900 600x1,000
    연도 단면적 m2 0.03 0.14 0.14 0.204 0.204 0.218 0.245 0.297 0.297 0.383 0.405 0.405 0.54 0.6
    연 돌 경 Ømm 210 300 370 420 470 520 560 600 630 670 730 790 840 950
    치수 폭 W mm 1,720 1,850 1,980 2,150 2,200 2,280 2,360 2,470 2,520 2,550 2,700 2,800 2,900 3,080
    길이 L mm 2,750 3,400 3,520 3,900 4,150 4,450 4,650 4,850 5,150 5,280 5,600 5,850 6,050 6,410
    높이 H mm 1,835 1,935 2,095 2,290 2,350 2,430 2,505 2,635 2,675 2,735 2,880 2,956 3,075 3,385
    * 압력 1.0 MPa 기준, 급수온도 20℃, 연료발열량 경유 : 10,300 Kcal/kg, LNG : 10,000 Kcal/Nm3, LPG+AIR : 14,500 Kcal/Nm3, LPG : 22,400 Kcal/Nm3 (12,000 Kcal/kg)
    * 보일러 효율 및 열량은 계측오차 및 현장조건에 따라 달라질 수 있습니다.
    * 상기 표준 사양서는 제품의 개발 등으로 변경될 수 있음.


  • ▣ 대신메라민 설치현장